Adjustable Male Run Tee
37 Degree Flare Fittings

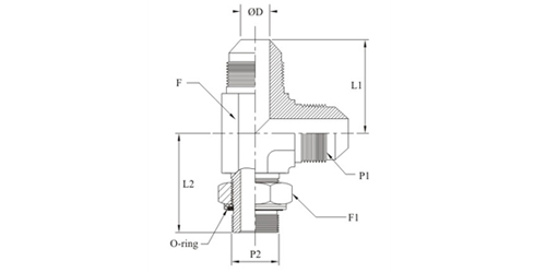
| MALE RUN TEE | |||||||||
| Part No | Tube OD1 mm in |
OD mm |
L1 mm |
L2 mm |
F HEX |
F1 HEX |
P2 BSPP |
P1 JIC |
|
| HSAMRT-101 | 6 | 1/4 | 4.4 | 23 | 26 | 11 | 14 | 1/8 | 7/16-20 |
| HSAMRT-102 | 6 | 1/4 | 4.4 | 24 | 32 | 14 | 19 | 1/4 | 7/16-20 |
| HSAMRT-103 | 6 | 1/4 | 4.8 | 29 | 37 | 19 | 22 | 3/8 | 7/16-20 |
| HSAMRT-104 | 6 | 1/4 | 4.8 | 31 | 43 | 22 | 27 | 1/2 | 7/16-20 |
| HSAMRT-105 | 8 | 5/16 | 4.8 | 24 | 30 | 14 | 14 | 1/8 | 1/2-20 |
| HSAMRT-106 | 8 | 5/16 | 6 | 24 | 32 | 14 | 19 | 1/4 | 1/2-20 |
| HSAMRT-107 | 8 | 5/16 | 6.5 | 29 | 37 | 19 | 22 | 3/8 | 1/2-20 |
| HSAMRT-108 | 10 | 3/8 | 6.5 | 27.5 | 32 | 14 | 19 | 1/4 | 9/16-18 |
| HSAMRT-109 | 10 | 3/8 | 7.1 | 29.5 | 37 | 19 | 22 | 3/8 | 9/16-18 |
| HSAMRT-110 | 10 | 3/8 | 7.5 | 31.5 | 43 | 22 | 27 | 1/2 | 9/16-18 |
| HSAMRT-111 | 12 | 1/2 | 7.1 | 32 | 37 | 19 | 19 | 1/4 | 3/4-16 |
| HSAMRT-112 | 12 | 1/2 | 9.5 | 32 | 37 | 19 | 22 | 3/8 | 3/4-16 |
| HSAMRT-113 | 12 | 1/2 | 9.5 | 34 | 43 | 22 | 27 | 1/2 | 3/4-16 |
| HSAMRT-114 | 12 | 1/2 | 9.5 | 36 | 49 | 27 | 36 | 3/4 | 3/4-16 |
| HSAMRT-115 | 16 | 5/8 | 9.5 | 37 | 37.5 | 22 | 22 | 3/8 | 7/8-14 |
| HSAMRT-116 | 16 | 5/8 | 11.9 | 37 | 43 | 22 | 27 | 1/2 | 7/8-14 |
| HSAMRT-117 | 16 | 5/8 | 12.5 | 39 | 49 | 27 | 36 | 3/4 | 7/8-14 |
| HSAMRT-118 | 18 | 3/4 | 12.5 | 42 | 47 | 27 | 27 | 1/2 | 1 1/16-12 |
| HSAMRT-119 | 18 | 3/4 | 15.5 | 42 | 49 | 27 | 36 | 3/4 | 1 1/16-12 |
| HSAMRT-120 | 18 | 3/4 | 15.5 | 45 | 52 | 33 | 41 | 1 | 1 1/16-12 |
| HSAMRT-121 | 25 | 1 | 17.5 | 46 | 50 | 33 | 36 | 3/4 | 1 5/16-12 |
| HSAMRT-122 | 25 | 1 | 21.5 | 46 | 52 | 33 | 41 | 1 | 1 5/16-12 |
| HSAMRT-123 | 25 | 1 | 21.5 | 52 | 58 | 41 | 50 | 1 1/4 | 1 5/8-12 |
| HSAMRT-124 | 32 | 1 1/4 | 21.5 | 53 | 58 | 41 | 41 | 1 | 1 5/8-12 |
| HSAMRT-125 | 32 | 1 1/4 | 27.5 | 53 | 58 | 41 | 50 | 1 1/4 | 1 5/8-12 |
| HSAMRT-126 | 38 | 1 1/2 | 33 | 59 | 60 | 48 | 50 | 1 1/4 | 1 7/8-12 |
| HSAMRT-127 | 38 | 1 1/2 | 33 | 59 | 60 | 48 | 55 | 1 1/2 | 1 7/8-12 |
